끠
搜索
网站首页
组织机构
新闻动态
行业动态
协会动态
通知公告
证书查询
资质证
防爆员
职业能力水平评价
专业能力评价
诚信信用
资质管理
收费公示
管理文件
申办指南
政策法规
法律法规
相关政策
党建
企业风采
学习园地
下载专区
申请用表
文件下载
标准下载
设备工程师申办
报名入口
附件下载
社会监督
投诉须知
我要投诉
意见建议
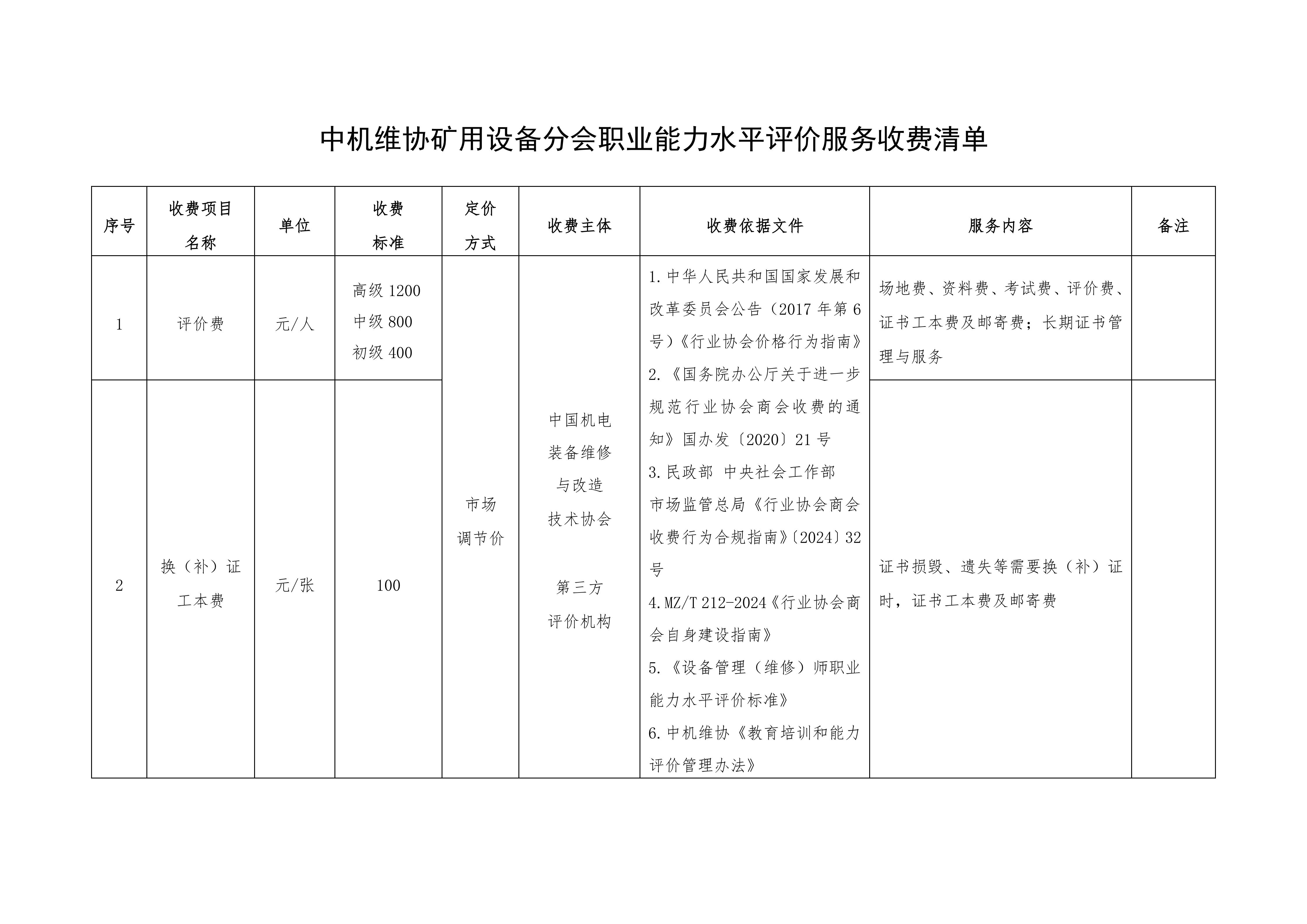
中机维协矿用设备分会服务收费清单
网站首页
ꄲ
收费公示
ꄲ
中机维协矿用设备分会服务收费清单
ꄴ
上一篇:
无
ꄲ
下一篇:
无
本网站由阿里云提供云计算及安全服务
本网站支持
IPv6
本网站由阿里云提供云计算及安全服务
本网站支持
IPv6
本网站由阿里云提供云计算及安全服务
本网站支持
IPv6
本网站由阿里云提供云计算及安全服务
本网站支持
IPv6